M8 公頭 5PIN B-Coded線端焊線式防水連接器(帶接地)/連接器






WP-05M2-252-11/連接器
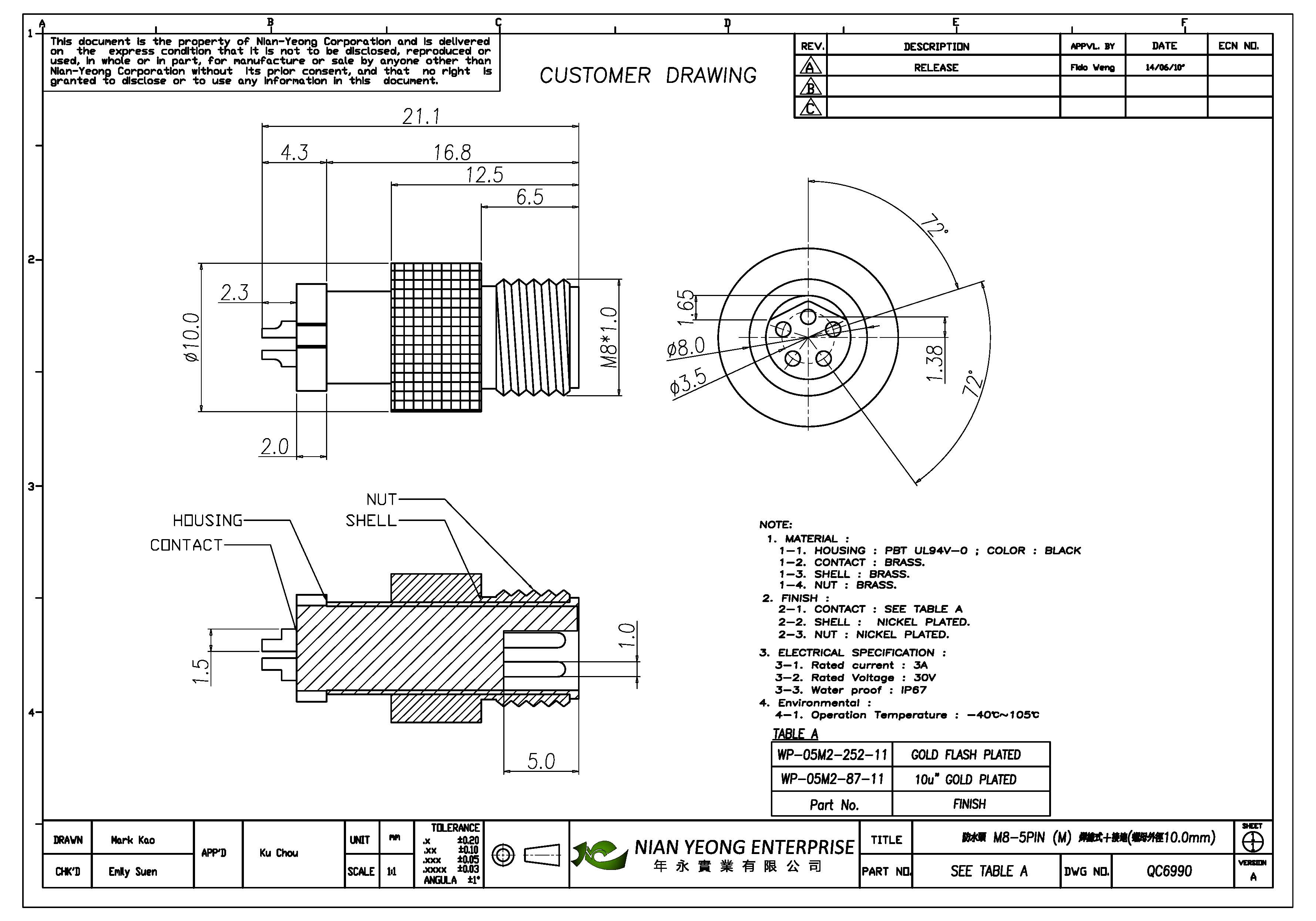
產品特性
- 種類 公頭
- 針數 5 Pin
- 額定電流 3A
- 額定電壓 30V
- 防水等級 IP67
- 工作溫度 -20℃ ~ 85℃
材質
- Housing PBT
- Contact Brass
- Nut Brass
- Shell Brass
配件
- 防水蓋/防塵蓋 NY-WP132
產品影片
/ 連接器