M5 母頭 2PIN 線端焊線式防水連接器(帶接地)/連接器






WP-02F2-37-11/連接器
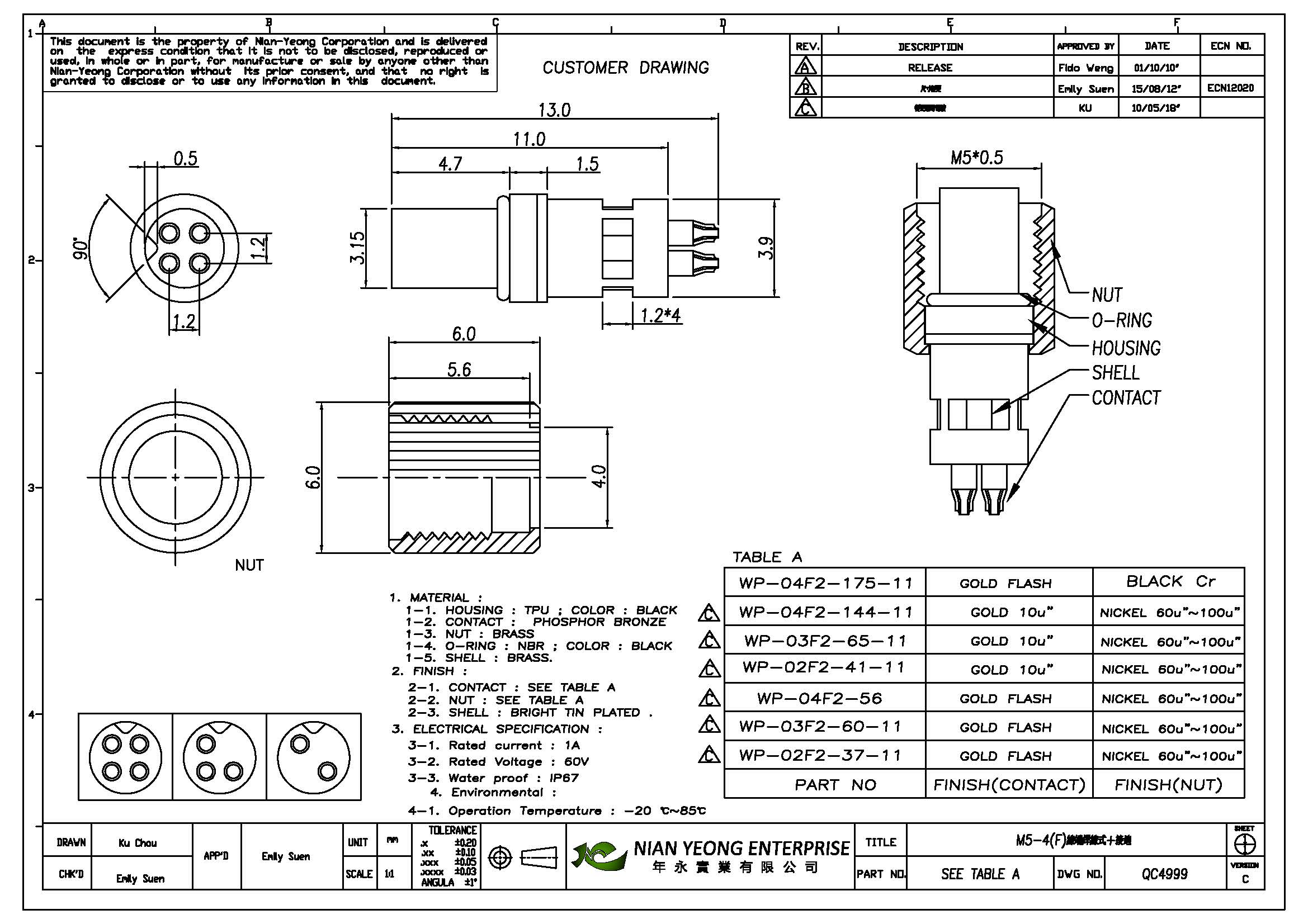
產品特性
- 種類 母頭
- 針數 2 Pin
- 額定電流 1A
- 額定電壓 60V
- 防水等級 IP67
- 工作溫度 -20℃ ~ 85℃
材質
- Housing TPU
- Contact Phosphor Bronze
- Nut Brass
- Shell Brass
- O-Ring NBR
配件
- 防水蓋/防塵蓋 NY-WP292
產品影片
/ 連接器