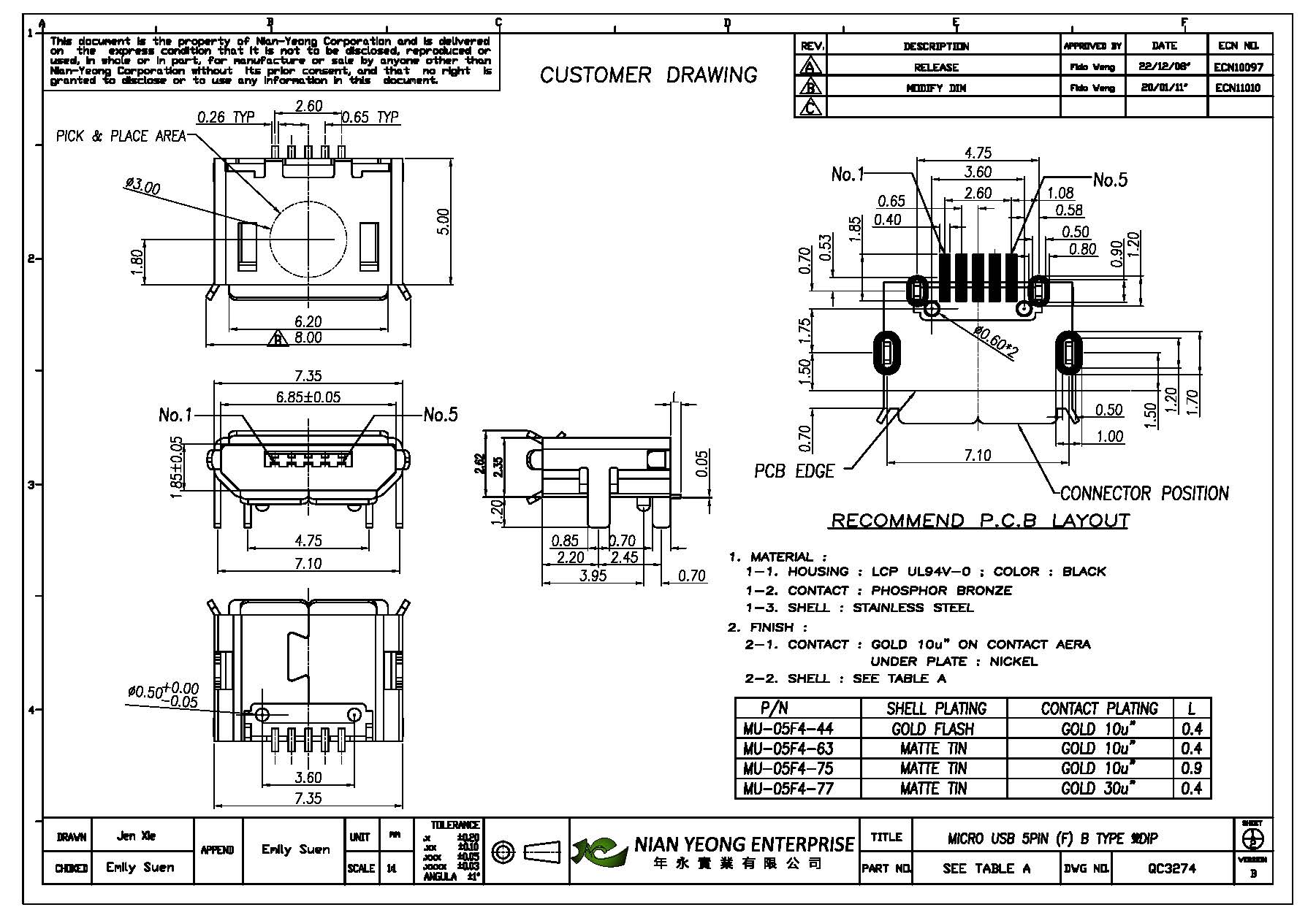
Micro USB 2.0 母頭 5PIN B Type連接器-SMT 90° Type(Shell DIP/with Post)/連接器






MU-05F4-63/連接器
產品特性
- 種類 母頭
- 針數 5 Pin
- 額定電流 1.8A/0.5A
- 額定電壓 30V
- 工作溫度 -20℃ ~ 85℃
材質
- Housing LCP
- Contact Phosphor Bronze
- Shell Stainless Steel
產品影片
/ 連接器